(Pubblicato su Sapere dell’agosto/settembre del 1984)
Riporto di seguito un articolo scritto da Edoardo Amaldi in cui si discute della corsa agli armamenti, a partire dalla prima esplosione nucleare sperimentale. Parto dal terzo paragrafo perché i primi due trattano di cose già abbondantemente trattate nel sito. Fornisco comunque il link del dove leggere le parti mancanti di questo articolo e dove aggiungere informazioni.
L’articolo di Amaldi può comunque essere letto senza i primi due paragrafi.
1. ALCUNE NOZIONI DI BASE
Le nozioni di base che fornisce Amaldi, sono quelle che io tratto in Elementi di Fisica Nucleare.
2. BREVE STORIA DELLE SCOPERTE SCIENTIFICHE
Questa parte la tratto in Enrico Fermi e la Scuola di Roma. La rinascita della fisica in Italia.
Si può inoltre approfondire in Ordigni Nucleari ed in Effetti di una esplosione nucleare e scenari di guerra nucleare.
3. LE APPLICAZIONI DELL’ENERGIA NUCLEARE
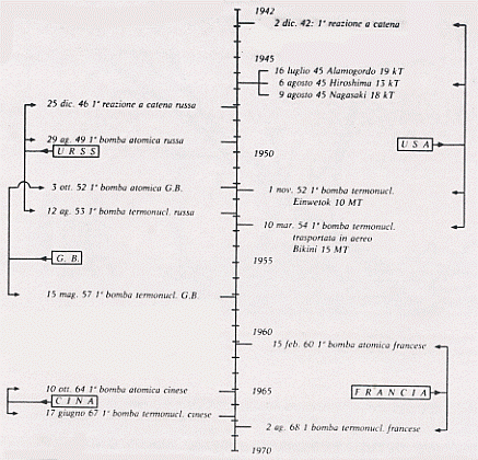
Lo sforzo di gran lunga maggiore [per l’utilizzazione militare dell’energia nucleare, ndr.] fu fatto negli Stati Uniti, dove il primo reattore nucleare a potenza zero fu messo in funzione da un gruppo di ricercatori guidato da Enrico Fermi, a Chicago, il 2 dicembre 1942.
Un piccolo ma competente sforzo russo fu ben presto interrotto in seguito all’invasione di una parte considerevole del territorio nazionale da parte delle truppe di Hitler. Tale attività, ripresa dopo la ritirata dei tedeschi, portò alla prima reazione a catena sovietica il 25 dicembre 1946 e alla produzione da parte loro dei primi microgrammi di plutonio nella primavera successiva.
Lo sforzo tedesco, numericamente e finanziariamente molto inferiore a quello degli Stati Uniti, non era ancora giunto a realizzare una
reazione a catena a potenza zero, quando nell’aprile 1945, la Germania fu occupata dalle truppe alleate. Ciò non toglie che le notizie giunte attraverso diversi canali, e in particolare servizi di informazione, di un serio sforzo tedesco nel settore della utilizzazione dell’energia nucleare, furono determinanti nel convincere la maggioranza degli scienziati del
campo alleato a lavorare con impegno per lo sviluppo dell’energia nucleare, ivi comprese le armi atomiche.
Lo sviluppo delle armi atomiche negli USA fu affidato al cosiddetto Manhattan Project che concentrò la maggior parte delle sue attività di ricerca nei laboratori di Los Alamos nel Nuovo Messico.
Come è noto, dopo una esplosione di prova fatta ad Alamogordo il 16 luglio 1945, le due prime bombe atomiche furono sganciate dagli Stati Uniti sulle città di Hiroshima e Nagasaki rispettivamente il 6 e il 9 agosto 1945.
Ciascuna di esse aveva la potenza di circa 15 kiloton di tritolo equivalente. La bomba sganciata su Hiroshima era di uranio 235, quella sganciata su Nagasaki di plutonio 239.

Nagasaki, dopo …
Alla stessa data 9 agosto l’URSS dichiarava guerra al Giappone e le sue truppe cominciavano a entrare in Manciuria. Si giungeva così alla resa immediata del Giappone e alla fine della guerra nel Pacifico. La guerra in Europa era già finita nel maggio di quello stesso anno.
Negli Stati Uniti i laboratori bellici di ricerca cominciarono ad essere smobilitati e allo stesso tempo, su raccomandazione degli scienziati, si cominciò a pensare a trasferire queste attività atomiche sotto controllo internazionale in modo da evitare una corsa agli armamenti senza speranza e pericolosa (4). Queste idee e queste speranze promosse inizialmente soprattutto da R. Oppenheimer e I.I. Rabi e successivamente da David Lilienthal primo presidente della AEC (Atomic Energy Commission. Commissione per l’Energia Atomica) e Dean Acheson, Segretario di Stato, si concretizzarono, ad opera del Senatore Bernard Baruch, in quello che divenne noto come «piano Baruch». Nella sua essenza il piano portava

Baruch
alla rinuncia da parte degli Stati Uniti al monopolio della bomba atomica, a favore di un controllo internazionale sopra tutte le forme di sviluppo della energia atomica. Esso conteneva però una serie di dettagli relativi ai tempi di realizzazione (in particolare il monopolio degli USA sarebbe cessato solo dopo che il piano fosse stato realizzato in tutti gli altri paesi) e alle violazioni di sovranità che erano in contrasto con i principi e la pratica sovietica, cosicché esso fu rigettato dall’URSS anche se era stato approvato dalla maggioranza dei paesi delle Nazioni Unite (5).Tutto ciò accadeva in un periodo di aumento della guerra fredda. Nel 1948 il Partito comunista cecoslovacco prendeva il potere a Praga e poco dopo i russi cercavano di isolare Berlino bloccando tutte le vie di comunicazione terrestre verso questa città. All’inizio del 1949 l’Esercito di Liberazione di Mao Ze Dong occupava Pechino fondando la Repubblica Popolare Cinese e il mondo occidentale non aveva ancora un’idea chiara di quali sarebbero stati i rapporti fra il nuovo grande Stato comunista e l’URSS.

Stalin, Truman e Churcill alla Conferenza di Postdam
Il 29 agosto 1949, vicino a Semipalatinsk nell’Asia centrale, l’URSS faceva esplodere la sua prima bomba atomica. Poco dopo l’annuncio di tale esplosione dato dal Presidente Americano Truman, il rappresentante dell’URSS alla Commissione per l’energia atomica delle Nazioni Unite chiedeva agli Stati Uniti di fare «nuove proposte concrete» per il controllo internazionale dell’energia atomica.
Gli altri cinque membri permanenti della Commissione (USA, Gran Bretagna, Francia, Canada e Cina Nazionalista) risposero riaffermando il loro appoggio al «piano Baruch».
Ne seguì una disputa che, liberata di aspetti secondari, può essere riassunta dicendo che la maggioranza sosteneva la proprietà e la gestione internazionale delle attività relative all’energia atomica, mentre l’URSS sosteneva la proprietà e la gestione nazionale con ispezioni periodiche da parte di una agenzia internazionale. La ricerca di un compromesso, soprattutto da parte di alcune potenze minori, non portò ad alcun risultato.
L’esplosione della prima bomba atomica russa apparve a molti circoli nucleari americani, come una sfida che richiedeva una risposta
pronta e adeguata. Fra le molte proposte che riguardavano tutte cambiamenti sostanziali ma puramente evolutivi delle linee di ricerca
perseguiti fino ad allora, ve ne era una relativamente diversa e consistente nello sviluppare il più rapidamente possibile la cosiddetta
superbomba o bomba all’idrogeno (o bomba H). Lo studio teorico di questa superbomba era andato avanti per circa 7 anni ma non aveva mai portato ad alcun risultato pratico.
Vari scienziati e uomini politici appoggiavano la proposta, il cui maggior sostenitore era stato per anni il fisico Edward Teller.
Il General Advisory Committee della Commissione per l’Energia Atomica esaminò tutte queste proposte e giunse alle sue conclusioni il 30 ottobre 1949. Sotto la presidenza di R. Oppenheimer (6), il GAC fu unanime sulla necessità che gli Stati Uniti dovessero accelerare sia la produzione che lo sviluppo delle bombe atomiche in generale, ma fu unanime anche nel suggerire che gli USA dovessero rinunciare allo sviluppo della superbomba.
Nelle sue conclusioni il GAC, fra l’altro, affermava:
«Noi basiamo le nostre raccomandazioni sulla convinzione che i grandissimi pericoli cui verrebbe esposta l’umanità da tale proposta
controbilancerebbero di gran lunga qualsiasi vantaggio militare che potrebbe derivare dal suo sviluppo. È necessario rendersi conto che
questa è una superarma; essa appartiene a una categoria completamente diversa da quella delle armi atomiche. Lo scopo di sviluppare una tale superbomba sarebbe quello di avere la capacità di devastare una vasta area con una singola bomba. Il suo uso coinvolgerebbe la decisione di ammazzare una vasta popolazione civile. Noi siamo allarmati dai possibili effetti globali della radioattività di dimensioni facilmente prevedibili. Se le superbombe funzioneranno non c’è limite al potere distruttivo che può essere raggiunto. Pertanto una superbomba può diventare una arma per il genocidio (…)
Noi riteniamo che la superbomba non debba mai essere prodotta. (…) Decidendo di non procedere allo sviluppo della superbomba noi vediamo una occasione unica per dare un esempio di come porre qualche limitazione alla guerra totale e limitare così la paura e far nascere le speranze dell’umanità».
Il rapporto aveva anche un «addendum» firmato da una minoranza, costituita da Enrico Fermi e Isidor Rabi in cui si insisteva sulle ragioni morali di tale decisione negativa. In tale addendum è scritto, fra l’altro:
«…E’ chiaro che l’uso di una simile bomba non può essere giustificato sulla base di alcun fondamento morale che riconosca ad ogni essere
umano una individualità e dignità anche se esso risiede nel territorio del paese nemico.
Il fatto che non vi siano limiti alla capacità distruttiva di questa arma rende la sua stessa esistenza e la conoscenza della sua costruzione un pericolo per l’umanità nel suo complesso. Si tratta di una cosa funesta sotto qualsiasi punto di vista. Per queste ragioni noi riteniamo importante che il Presidente degli Stati Uniti dica al pubblico americano, e al mondo, che noi riteniamo sbagliato, per ragioni etiche fondamentali, dare inizio a un programma di sviluppo di tale arma. Allo stesso tempo sarebbe appropriato invitare le nazioni di tutto il mondo ad unirsi a noi in un impegno solenne a non procedere nello sviluppo della costruzione di armi di questo tipo».
Su questo punto sorse allora un intenso dibattito segreto. Gli oppositori della superbomba sostenevano che né il possesso né lo sviluppo di una superarma era necessario per garantire la sicurezza nazionale e che in queste condizioni sarebbe stato sbagliato iniziare lo sviluppo di una arma così potente e distruttiva. In sostanza, essi sostenevano che il mondo dovrebbe evitare il più possibile di sviluppare e ammassare superbombe e che l’evitare da parte dell’America un simile sviluppo era una precondizione necessaria per persuadere altri a fare lo stesso. Inoltre essi ritenevano che il livello relativo e il dinamismo della tecnologia nucleare americana erano tali che gli Stati Uniti potevano esporsi tranquillamente al rischio che l’URSS potesse non adottare simili autolimitazioni e cominciare un programma da sola in tale senso.
I sostenitori della superbomba sostenevano invece che un risultato positivo di una simile bomba da parte dei sovietici era solo una questione di tempo, cosicché il non considerarla da parte americana equivaleva ad una decisione cosciente di diventare una potenza nucleare di seconda classe e nel peggiore dei casi ad arrendersi alle oscure forze del mondo comunista. E aggiungevano che l’intraprendere il suo sviluppo non era moralmente diverso dallo sviluppare qualsiasi altra arma.
Nonostante che i due principali antagonisti fossero Robert Oppenheimer ed Edward Teller la contesa non prese la forma di un confronto diretto. Ciascuno di essi con i propri mezzi e il proprio gruppo cercò di persuadere le autorità superiori del proprio punto di vista.
Non voglio addentrarmi in un esame del caso Oppenheimer perché mi porterebbe troppo lontano. Mi limiterò a ricordare che il dibattito fu risolto dal Presidente Truman nel gennaio 1950 a favore dei sostenitori della superbomba e che due anni e nove mesi dopo (1 novembre 1952) gli Stati Uniti fecero esplodere

Truman
sull’atollo Eniwetok la prima superbomba da 10 megaton di energia esplosiva, nota con il nome in codice di Mike. Essa era circa 1000 volte più potente della bomba usata su Hiroshima.
Ma torniamo all’inizio del 1950. Poco dopo l’annuncio da parte di Truman che gli Stati Uniti avrebbero proceduto nello sviluppo della superbomba, in occasione di un convegno della Società Americana di Fisica, tenuto a New York, 12 dei maggiori fisici statunitensi, guidati da Hans A. Bethe, che nel 1939 aveva scoperto le reazioni di fusione che hanno luogo nell’interno del Sole ed altre stelle, fecero un appello al governo degli Stati Uniti affinché facesse una dichiarazione solenne che gli Stati Uniti non avrebbero mai fatto uso per primi della superbomba. L’appello non ebbe alcuna risposta.
Un’altra persona che cercò di influenzare il corso degli eventi a quell’epoca fu il Senatore Brien McMahon presidente del «Comitato congiunto per l’Energia Atomica», il quale due giorni dopo l’annuncio del Presidente Truman, propose che gli Stati Uniti spendessero 50 miliardi di dollari per lanciare una «crociata morale per la pace», per la fine della corsa agli armamenti nucleari e per «salvare l’umanità dalla distruzione con il fuoco».
La sua idea era che 10 dei 15 miliardi di dollari, spesi allora annualmente per gli armamenti, fossero usati, in un periodo di 5 anni, per un «Programma a Quattro Punti», di sviluppo dell’energia atomica a scopi pacifici e di appoggio economico a tutti i paesi, inclusa la Russia. In cambio di questo piano globale gli USA dovevano richiedere a tutte le altre nazioni del mondo un efficace programma di controllo internazionale dell’energia atomica e il trasferimento di due terzi delle loro spese militari a scopi costruttivi.
Per quanto lo spirito dell’approccio di McMahon al problema fosse affascinante, vari commentatori politici osservarono che esso implicava la accettazione da parte dell’URSS di una specie di piano Baruch rammodernato e la proposta fu nuovamente lasciata cadere senza alcun seguito.
Lo sviluppo della superbomba non fu il solo aspetto dell’accelerazione subita dalla corsa agli armamenti provocata dalle decisioni prese dopo l’esplosione della prima bomba sovietica. Vi fu anche una grande proliferazione del numero e dei tipi di armi atomiche ordinarie, la creazione negli Stati Uniti di un secondo laboratorio di ricerca (oltre quello di Los Alamos) a Livermore (California) nel 1952 e nel 1954 la soppressione dell’autorizzazione ad Oppenheimer all’accesso alla documentazione e informazione segreta in quanto egli «poteva rappresentare un rischio per la sicurezza».
Arriviamo così al 12 agosto 1953 data in cui i sovietici fanno la loro prima esplosione termonucleare. Circa un anno prima, e precisamente il 3 ottobre 1952 la Gran Bretagna aveva fatto esplodere la sua prima bomba atomica.
Con il 1953 siamo in un periodo in cui la tensione fra mondo occidentale e i sovietici è particolarmente grave; è il solo periodo anzi in cui la tensione è stata più grave di quella che si ha nella fase attuale [1984, ndr.], tanto che il Bulletin of Atomic Scientists, fondato a Chicago nel 1945, da H.H. Goldsmith ed E. Rabinovitch, e che ha costituito la più autorevole e continuativa sede di dibattito dei problemi politici inerenti all’energia atomica, ha spostato le lancette dell’«orologio simbolico del giudizio universale» a due minuti dall’ora zero, inizio del prossimo conflitto nucleare (vedi figura).

L’orologio del Giudizio Universale del Bulletin of Atomic Scientists
Per ragioni di completezza ho raccolto nella tabella seguente alcune altre date relative alle esplosioni delle prime bombe atomiche e bombe H fatte esplodere, negli anni successivi, dalla Gran Bretagna, Francia e Cina.

Il 28 novembre 1945, ossia pochi mesi dopo l’impiego delle bombe atomiche su Hiroshima e Nagasaki, il matematico e filosofo Bertrand
Russell pronunciò un discorso alla Camera dei Lord a Londra in cui fece una previsione del tremendo potere distruttivo della bomba H e della conseguente minaccia per la civilizzazione dell’uomo e suggerì che si tenesse un convegno fra scienziati dei paesi dell’ovest e scienziati sovietici con lo scopo di aprire una cooperazione generale fra le due parti e giungere a stabilire un sistema di controllo internazionale. Quando nel 1954, la minaccia delle armi nucleari divenne grande quanto
egli aveva previsto, Russell decise che era ormai venuto il momento di passare all’azione.
Il 23 dicembre 1954 parlò alla radio inglese su «Il Pericolo per l’Uomo» dando una molto vivida descrizione della situazione determinata dal recente sviluppo delle armi nucleari e delle conseguenze catastrofiche di una prossima guerra. Subito dopo preparò il testo di un «Manifesto» destinato alla firma di scienziati di diversi paesi e che rappresentassero
diverse opinioni politiche. Uno dei primi con cui Russell prese contatto fu Albert Einstein che lo firmò due giorni prima di morire. Il Manifesto, diventato noto come «Manifesto Russell-Einstein», con le firme di 11 scienziati, la maggior parte dei quali premi Nobel, fu letto da Russell ad una conferenza stampa tenuta a Londra il 9 luglio 1955 e fu riportato da tutta la stampa internazionale. Esso comincia con le parole:
«Nella tragica situazione di fronte a cui si trova l’umanità, noi riteniamo che gli scienziati debbano riunirsi in una conferenza per valutare i pericoli derivanti dallo sviluppo delle armi di distruzione di massa e per discutere una risoluzione nello spirito della bozza che segue. Noi parliamo in questa occasione non come membri di questa o di quella nazione, continente o credo religioso, ma come esseri umani, membri della specie Uomo, la cui sopravvivenza è resa incerta. Il mondo è pieno di conflitti e questi sono posti in ombra dalla lotta titanica fra comunismo e anticomunismo.
Chiunque sia politicamente cosciente ha una ferma convinzione su uno o più di questi temi, ma noi vorremmo che voi, se lo potete, metteste da parte questi sentimenti e vi consideraste solo come membri della specie biologica che ha avuto una storia straordinaria e la cui scomparsa nessuno di noi può desiderare…» [7, ndr.].
Il Manifesto si chiudeva con l’invito ad un convegno internazionale che ebbe effettivamente luogo fra il 7 e il 10 luglio 1957 a
Pugwash, un villaggio della Nuova Scozia in Canada. Nasceva così il Movimento Pugwash Internazionale. Da allora esso ha tenuto oltre
un centinaio di convegni e simposi internazionali sia su questioni generali che su problemi specifici relativi al problema del disarmo. La sua azione è stata nettamente positiva ed ha senza dubbio contribuito a creare il clima necessario per alcuni trattati parziali ma purtroppo si è rimasti ben lungi da qualsiasi accordo di natura generale e completa che solo potrebbe far guardare con tranquillità all’avvenire [8, ndr.].
______________________________________
NOTE
(4) York H., The advisors: Oppenheimer, Teller, the superbomb, W.H. Freeman and Co. San Francisco 1976.
(5) Arms Control, readings from «Scientific American» (1973).
(6) Il GAC era composto da: J.R. Oppenheimer (presidente), O.E. Buckley, J.B. Conant, L.A. Du Bridge, E. Fermi, I.I. Rabi, H. Rowe, G. Seaborg (assente), C.S. Smith. [7, ndr] Un episodio, relativo a Bertrand Russell e ripreso da Giulio Giorello, Di nessuna chiesa, Raffaello Cortina 2005, merita di essere raccontato. Bertrand Russell, fu chiamato al City College di New York (febbraio 1941) e questo fatto scatenò, prima ancora che l’intervento della legge, la voxpopuli (che alcuni vorrebbero vox Dei).
“Professore di paganesimo, filosofo anarchico e nichilista morale”: così lo dipinse
The Tablet. E un consigliere del College non fu da meno: “cane e vagabondo”, da cacciare dal paese “dopo essere stato impeciato e impiumato”. All’inizio di marzo, una signora di Brooldyn (Jean Kay), la cui figlia frequentava il College, denunciò l'”ateo” Russell presso lo Stato di New York affinché gli venisse ritirata la nomina – cosa che di fatto avvenne. La causa era finita nelle mani del giudice McGeehan, un democratico che “si era già distinto per aver cercato di far rimuovere un ritratto di Martin Lutero da
una raccolta illustrante la storia della Legislazione”. Ed ecco la motivazione della sentenza: “Quando si pensa a tutte le tasse che i contribuenti pagano, ogni anno, per far osservare le disposizioni della legge, si comprende quanto siano contrarie al comune
benessere tutte quelle spese che non fanno che incoraggiare le trasgressioni al codice
penale. Anche presumendo che il signor Russell possa insegnare per due anni al City
College, senza divulgare quelle dottrine che egli ritiene necessario diffondere con frequenti scritti, la sua nomina viola un canone assolutamente ovvio della pedagogia, cioè che la personalità dell’insegnante influisce sulla formazione spirituale dello studente più di molti sillogismi. Ciascuno di noi è portato a imitare la persona che ammira e apprezza; Bertrand Russell è considerato una persona non comune, e perciò è più pericoloso. La filosofìa del signor Russell [è …] in aperto contrasto con lo Stato di New York“.
Commenta in modo eccellente Giorello: “Sir Bertrand non si era reso conto di quanto la sua filosofia potesse suonare irrispettosa dei valori comuni di una società democratica. O forse aveva capito, anche troppo, che valori comuni generano donne ed uomini comuni“.
[8, ndr.] Amaldi, in questo scritto, per la modestia che lo ha sempre contraddistinto, non fa cenno alla cosa ma va ricordato che egli, per il prestigio internazionale di cui godeva, fu coinvolto fin dall’inizio nell’iniziativa e solo per una serie di altri impegni che già aveva, non poté recarsi alla riunione di Pugwash. Ma nel 1958, alla successiva riunione che si tenne in Europa, non solo partecipò ma fu anche chiamato a far parte del Comitato direttivo del Movimento alla sua costituzione. Egli ne fu membro attivo fino al 1973 quando cominciò a rinunciare a gran parte degli impegni che lo allontanavano dalla sua casa, poiché, ogni volta che poteva preferiva stare in compagnia di sua moglie, l’adorata Ginestra, costretta su una sedia a rotelle da una invalidità che la aveva colpita. Ma anche a distanza seguì sempre con grande interesse ed impegno l’attività del Pugwash.
Categorie:Senza categoria
Rispondi